Tilgængelighed for afhentning kunne ikke indlæses
SKU: 300268
Lieferzeit: 2-3 Werktage
Se komplette oplysninger

Lieferumfang
Farbe telegrau, Gehäuse des Senders auch auf Anfrage in verschiedenen RAL-Farben gegen Aufpreis erhältlich
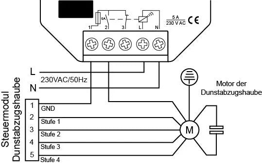
Das FDS 100 Set mit DIBt-Zulassung sorgt für einen sicheren Betrieb von Abluftanlagen, indem es die Fensterstellung überwacht und die Information per Funk an den Einbau-Empfänger überträgt. Der Sender am Fenster erkennt zuverlässig, ob das Fenster gekippt oder geöffnet ist. Nur bei geöffnetem Fenster kann frische Zuluft einströmen und gefährlicher Unterdruck vermieden werden, der giftiges Kohlenmonoxid aus Verbrennungsstätten in den Raum ziehen könnte.
Das FDS 100 Set unterbricht bei geschlossenem Fenster nicht die gesamte Stromzufuhr zur Abluftanlage. Die Stromtrennung erfolgt selektiv - nur die Lüfterfunktion wird ausgeschaltet, so dass andere Funktionen wie Beleuchtung, Uhrzeit oder Bedienfeld weiterhin aktiv bleiben können, sofern die Geräteinstallation das unterstützt. Ein Plus an Komfort und Sicherheit!
Betrieb mit zweitem Fenster (ODER-Verknüpfung):
Sie haben die Möglichkeit mit einem zusätzlichen Funk-Magnetschalter FDS 098 (Artikel: 300098) ein zweites Fenster zu verwenden. Es muss dann mindestens ein Fenster geöffnet sein, damit das Abluftsystem in Betrieb gehen kann. Über die Seriennummer des Funk-Empfängers kann Elektrotechnik-Schabus einen weiteren Funkschalter für das Set programmieren.
Die Seriennummer finden Sie auf dem Typenschild des Funk-Empfängers und des Senders unter dem Barcodefeld
Betrieb mit zwei Fenstern (UND-Verknüpfung):
Reicht die Mindestspaltöffnung eines Ihrer Fenster nicht für einen sicheren Betrieb oder bekommen Sie vom Schornsteinfeger die Auflage, zwei Fenster öffnen zu müssen, um einen sicheren Betrieb zu gewährleisten, benötigen Sie zwei FDS 100 Sets mit unterschiedlicher Codierung. Die Relais-Ausgänge der beiden Empfänger werden in Reihe geschaltet – so erfolgt die Freigabe des Abluftsystems nur bei geöffnetem beiden Fenstern.
Zweiter Empfänger:
Ein bestehendes FDS 100 SET kann jederzeit um einen zusätzlichen Empfänger ergänzt werden – etwa als Einbauvariante (FDS 199) oder Zwischensteckvariante (FDS 299). Beide Empfänger reagieren gleichzeitig auf das Funksignal des Senders und geben jeweils das verbundene Abluftsystem frei. Dazu benötigt Elektrotechnik-Schabus die Seriennummer um die Geräte zueinander zu codieren.
FDS 100 kombiniert mit ATW 519 Abgastemperaturwächter (kabelgebunden): Sobald die Abgastemperatur im Abgasrohr 40°C überschreitet, muss dabei das Fenster geöffnet werden:
FDS 100 kombiniert mit Funk-Abgastemperaturwächter: Sobald die Abgastemperatur im Abgasrohr 40°C überschreitet, muss dabei das Fenster geöffnet werden: FTX mit FDS 100 Set
Unser Gerät führt zyklisch einen automatischen RESET durch, danach muss für erneute Inbetriebnahme das Fenster einmal geöffnet werden (und ggf. vorher geschlossen werden).
Bei einer „normalen Nutzung“ von 1-2 Std. / Tag und optimaler Funkverbindung (kein Edelstahl oder sonstige abschirmende Materialien, idealerweise mit Sichtkontakt) ist bei einer frischen Markenbatterie mit einer Batterielebensdauer von bis zu 2 Jahren zu rechnen.
WEEE-NR.: DE91394868
| Betriebsspannung | 230 V AC / 50-60 Hz |
|---|---|
| Schaltleistung | 1150 VA (700 W) / 5 A (changer) |
| Funktionsbereich | 0 °C / +60 °C |
| Schutzart | IP20 |
| Funkfrequenz | 868 MHz SRD |
| Reichweite | up to 20 meters in open field |
| Batterie | CR2023/ 3 V |
| TÜV geprüft | TÜV-geprüft |
| DIBt-Zertifikat | DIBt Z-85.2-11 |
| Abmessungen(BxBxT) | Empfänger 53x53x31 mm, Sender 59x25x18 mm, Magnetschalter 59x11x18 mm, Distanzplatte 59x11x5 mm |
| Leistungsaufnahme | 1,5 W |
Lieferumfang
Farbe telegrau, Gehäuse des Senders auch auf Anfrage in verschiedenen RAL-Farben gegen Aufpreis erhältlich
Das FDS 100 Set mit DIBt-Zulassung sorgt für einen sicheren Betrieb von Abluftanlagen, indem es die Fensterstellung überwacht und die Information per Funk an den Einbau-Empfänger überträgt. Der Sender am Fenster erkennt zuverlässig, ob das Fenster gekippt oder geöffnet ist. Nur bei geöffnetem Fenster kann frische Zuluft einströmen und gefährlicher Unterdruck vermieden werden, der giftiges Kohlenmonoxid aus Verbrennungsstätten in den Raum ziehen könnte.
Das FDS 100 Set unterbricht bei geschlossenem Fenster nicht die gesamte Stromzufuhr zur Abluftanlage. Die Stromtrennung erfolgt selektiv - nur die Lüfterfunktion wird ausgeschaltet, so dass andere Funktionen wie Beleuchtung, Uhrzeit oder Bedienfeld weiterhin aktiv bleiben können, sofern die Geräteinstallation das unterstützt. Ein Plus an Komfort und Sicherheit!
Betrieb mit zweitem Fenster (ODER-Verknüpfung):
Sie haben die Möglichkeit mit einem zusätzlichen Funk-Magnetschalter FDS 098 (Artikel: 300098) ein zweites Fenster zu verwenden. Es muss dann mindestens ein Fenster geöffnet sein, damit das Abluftsystem in Betrieb gehen kann. Über die Seriennummer des Funk-Empfängers kann Elektrotechnik-Schabus einen weiteren Funkschalter für das Set programmieren.
Die Seriennummer finden Sie auf dem Typenschild des Funk-Empfängers und des Senders unter dem Barcodefeld
Betrieb mit zwei Fenstern (UND-Verknüpfung):
Reicht die Mindestspaltöffnung eines Ihrer Fenster nicht für einen sicheren Betrieb oder bekommen Sie vom Schornsteinfeger die Auflage, zwei Fenster öffnen zu müssen, um einen sicheren Betrieb zu gewährleisten, benötigen Sie zwei FDS 100 Sets mit unterschiedlicher Codierung. Die Relais-Ausgänge der beiden Empfänger werden in Reihe geschaltet – so erfolgt die Freigabe des Abluftsystems nur bei geöffnetem beiden Fenstern.
Zweiter Empfänger:
Ein bestehendes FDS 100 SET kann jederzeit um einen zusätzlichen Empfänger ergänzt werden – etwa als Einbauvariante (FDS 199) oder Zwischensteckvariante (FDS 299). Beide Empfänger reagieren gleichzeitig auf das Funksignal des Senders und geben jeweils das verbundene Abluftsystem frei. Dazu benötigt Elektrotechnik-Schabus die Seriennummer um die Geräte zueinander zu codieren.
FDS 100 kombiniert mit ATW 519 Abgastemperaturwächter (kabelgebunden): Sobald die Abgastemperatur im Abgasrohr 40°C überschreitet, muss dabei das Fenster geöffnet werden:
FDS 100 kombiniert mit Funk-Abgastemperaturwächter: Sobald die Abgastemperatur im Abgasrohr 40°C überschreitet, muss dabei das Fenster geöffnet werden: FTX mit FDS 100 Set
Unser Gerät führt zyklisch einen automatischen RESET durch, danach muss für erneute Inbetriebnahme das Fenster einmal geöffnet werden (und ggf. vorher geschlossen werden).
Bei einer „normalen Nutzung“ von 1-2 Std. / Tag und optimaler Funkverbindung (kein Edelstahl oder sonstige abschirmende Materialien, idealerweise mit Sichtkontakt) ist bei einer frischen Markenbatterie mit einer Batterielebensdauer von bis zu 2 Jahren zu rechnen.
WEEE-NR.: DE91394868
| Betriebsspannung | 230 V AC / 50-60 Hz |
|---|---|
| Schaltleistung | 1150 VA (700 W) / 5 A (changer) |
| Funktionsbereich | 0 °C / +60 °C |
| Schutzart | IP20 |
| Funkfrequenz | 868 MHz SRD |
| Reichweite | up to 20 meters in open field |
| Batterie | CR2023/ 3 V |
| TÜV geprüft | TÜV-geprüft |
| DIBt-Zertifikat | DIBt Z-85.2-11 |
| Abmessungen(BxBxT) | Empfänger 53x53x31 mm, Sender 59x25x18 mm, Magnetschalter 59x11x18 mm, Distanzplatte 59x11x5 mm |
| Leistungsaufnahme | 1,5 W |